Экран Этна фронтальный защитный 18,24 (ДТ-4, ДТ-4С) S=120мм
* Изображение представленного на сайте товара носит ознакомительный характер и может незначительно отличаться от оригинала.
** Предложение не является публичной офертой.
- Описание
- Характеристики
- Отзывы0
- Доставка
- Оплата
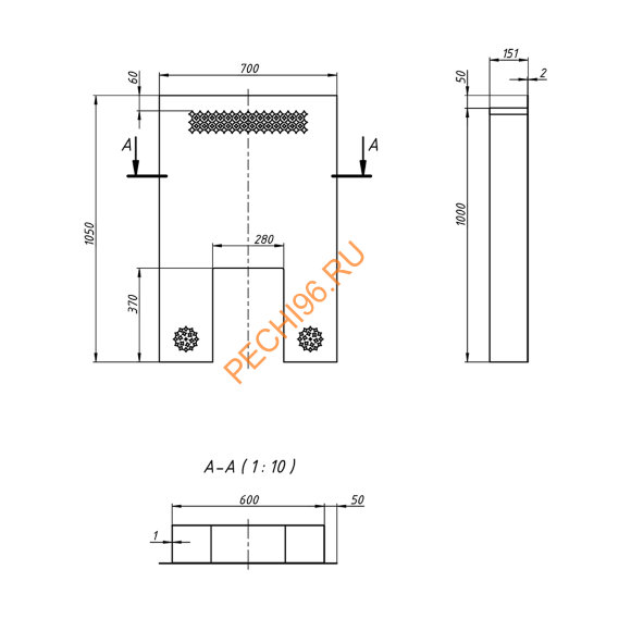
Фронтальный защитный экран применяется для монтажа печей Этна с целью разграничения пространства парной и комнаты отдыха (или предбанника). Экран отлично подойдёт для обустройства стены из кирпича или другого негорючего материала в случаях, когда нет возможности сделать полноценный портал. Выполненный из стали толщиной 1-2 мм фронтальный защитный экран выполняет функцию эстетического обрамления топочного тоннеля печи и одновременно защищает смежные с печью поверхности от воздействия повышенных температур. Фронтальный защитный экран сделан в виде П-образной арки, которая обрамляет топочную дверку и топочный тоннель печи. Передняя панель экрана имеет толщину 2 мм, остальные элементы – толщиной 1 мм. Небольшой борт по периметру передней панели позволяет красиво отделать экран и скрыть швы между экраном и стеной.
Экран полностью совместим с печами Этна 18,24 в модификациях с дверками ДТ-4, ДТ-4С. S=120 мм. Размеры портала и арки точно соответствуют печам указанных моделей и не требуют предварительной подгонки по месту. После установки экрана печь полностью сохраняет свои размерные и функциональные характеристики. Экран окрашен термостойкой краской, которая выдерживает высокие температуры, возникающие в топочном тоннеле во время работы печи. Фронтальный экран устанавливается на топочный тоннель сверху, позволяет на своей основе собрать стену между парной и предбанником из кирпича (толщина портала равна 151 мм) или дерева. Большая воздушная камера между передней и задней стенками экрана предотвращает теплопотери и делает использование изделия максимально безопасным. За счёт этой камеры передняя поверхность экрана нагревается незначительно, что предохраняет пользователя от ожогов, а помещение от перегрева.
| Производитель | Etna |
| Страна производства | Россия |
| Ширина | 700 мм |
| Глубина, мм | 121 |
| Высота | 1050 мм |
| Масса | 18.5 кг |
Экран Этна фронтальный защитный 18,24 (ДТ-4, ДТ-4С) S=120мм отзывы
Способы доставки по Нижнему Новгороду и области:
При покупке от 10000 рублей доставка товара с центрального склада до терминала транспортной компании бесплатная (оплачивается только межтерминальная перевозка), при покупке меньше 10000 - стоимость отправки 600 рублей. Стоимость межтерминальной перевозки рассчитывается и оплачивается дополнительно.
Мы работаем с транспортными компаниями:
- КИТ
- ПЭК
- Деловые линии
- Луч
- Энергия.
По Вашему желанию возможна отправка товара любой другой транспортной компанией.
Возможна доставка товара до Вашего адреса по всей области - в этом случае к стоимости межтерминальной перевозки добавится стоимость доставки до адреса.
Оплата в Нижнем Новгороде и области принимается следующими способами:
- Онлайн оплата — дебетовыми и кредитными картами на сайте.
- Оплата на карту Сбербанка — применяется для физических лиц при дистанционной оплате.
- Оплата по безналичному расчету — применяется для физических и юридических лиц. После зачисления денежных средств на расчетный счет, товар и полный пакет документов будут доставлены Вам согласованным способом в оговоренные сроки. Работаем с НДС!
- Покупка товаров в кредит — нажмите кнопку "Купить в кредит" в карточке товара и оформите заявку на кредит. Подробности у менеджеров.
Категории: Защитные экраны и стекла для печей в баню Экраны и притопочные листы Напольные листы и стекла для печей-каминов
Покупатели, которые приобрели Экран Этна фронтальный защитный 18,24 (ДТ-4, ДТ-4С) S=120мм, также купили
Рекомендуем посмотреть
Купить экран Этна фронтальный защитный 18,24 (ДТ-4, ДТ-4С) S=120мм в Нижнем Новгороде можно в интернет-магазине Печи96.ру. Товар относится к категории «защитные экраны и стекла для печей в баню» и представлен в каталоге по актуальной цене — 7 100 руб., артикул — 1022423.
В карточке товара указаны характеристики, параметры, комплектация и информация по применению. При выборе рекомендуется учитывать назначение модели, особенности установки, размеры, конструкцию и совместимость.
Заказать экран Этна фронтальный защитный 18,24 (ДТ-4, ДТ-4С) S=120мм можно онлайн с доставкой по Нижнему Новгороду и области. Для покупателей доступны оплата наличными, банковской картой, переводом на карту и безналичный расчет с НДС. Также возможна покупка в кредит.
Если вам нужна консультация по товару, цене, заказу, доставке или способам оплаты, свяжитесь с нами по телефону +7 (831) 282-11-01. Специалисты Печи96.ру помогут подобрать подходящий вариант и оформить заказ.


























