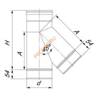
Тройник ВУЛКАН VHR 45° d200
* Изображение представленного на сайте товара носит ознакомительный характер и может незначительно отличаться от оригинала.
** Предложение не является публичной офертой.
- Описание
- Характеристики
- Отзывы0
- Доставка
- Оплата
Тройник 45° «Вулкан» одноконтурный, круглого сечения. Выполнен из нержавеющей стали. Тройник предназначен для изменения направления дымового канала, используется в местах присоединения теплогенерирующего аппарата под углом 45° к основному каналу. Тройник 45° необходим при заднем подключении котлов, печей, когда дымоход проходит через стену. Модульные дымоходы Вулкан экономичны, обладают высокими эксплуатационными качествами, отличаются простотой монтажа и соответствуют последним Российским и Европейским нормам, предъявляемым к дымоходам подобного типа. Большое количество фасонных изделий (тройники, отводы, кронштейны, консы, хомуты и т. д.) и широкий спектр типоразмеров позволяют легко комплектовать модульные системы различной протяженности и сложности. Небольшой вес и компактные габаритные размеры позволяют устанавливать модульные дымоходы Вулкан, как внутри, так и снаружи зданий и сооружений, без предварительной установки трудоёмких фундаментов. Все комплектующие модульного дымохода Вулкан укомплектованы нержавеющим крепежом, изготовленным из стали AISI.
Особенности:
- неограниченный срок службы,
- малое сопротивление тяге,
- идеальная геометрия,
- кислотоустойчивая сталь марки AISI,
- наружная поверхность трубы полированная,
- легкость монтажа и обслуживания, рабочая температура до 450° С,
- кратковременное повышение до 750° С,толщина стенки 0,5-0,8 мм, сварка встык TIG.
| Производитель | Вулкан |
| Страна производства | Россия |
| Диаметр | 200 мм |
| Тип | Одноконтурные (моно) |
| Толщина металла | 0,5мм, 0,8мм |
| Материал (внутри/снаружи) | Нержавейка 304, Нержавейка 321 |
| По типу оборудования | Для буржуйки, Для банных печей, Для каминов, Для печей, Для твердотопливных котлов, Для газовых котлов, Для дизельных котлов |
| По назначению | Для дома, Для бани, Для сауны |
Тройник ВУЛКАН VHR 45° d200 отзывы
Способы доставки по Нижнему Новгороду и области:
При покупке от 10000 рублей доставка товара с центрального склада до терминала транспортной компании бесплатная (оплачивается только межтерминальная перевозка), при покупке меньше 10000 - стоимость отправки 600 рублей. Стоимость межтерминальной перевозки рассчитывается и оплачивается дополнительно.
Мы работаем с транспортными компаниями:
- КИТ
- ПЭК
- Деловые линии
- Луч
- Энергия.
По Вашему желанию возможна отправка товара любой другой транспортной компанией.
Возможна доставка товара до Вашего адреса по всей области - в этом случае к стоимости межтерминальной перевозки добавится стоимость доставки до адреса.
Оплата в Нижнем Новгороде и области принимается следующими способами:
- Онлайн оплата — дебетовыми и кредитными картами на сайте.
- Оплата на карту Сбербанка — применяется для физических лиц при дистанционной оплате.
- Оплата по безналичному расчету — применяется для физических и юридических лиц. После зачисления денежных средств на расчетный счет, товар и полный пакет документов будут доставлены Вам согласованным способом в оговоренные сроки. Работаем с НДС!
- Покупка товаров в кредит — нажмите кнопку "Купить в кредит" в карточке товара и оформите заявку на кредит. Подробности у менеджеров.
Не забудьте приобрести
-
Цена: 5 430 ₽Цена: 2 780 ₽Цена: 3 050 ₽Цена: 2 520 ₽
-
Цена: 3 910 ₽Цена: 4 580 ₽Цена: 2 900 ₽
Категории: Дымоходы ВУЛКАН Дымоходы Дымоходы Вулкан диаметром 200 мм
Покупатели, которые приобрели Тройник ВУЛКАН VHR 45° d200, также купили
Рекомендуем посмотреть
Купить тройник ВУЛКАН VHR 45° d200 в Нижнем Новгороде можно в интернет-магазине Печи96.ру. Товар относится к категории «дымоходы вулкан» и представлен в каталоге по актуальной цене — 4 592 руб., артикул — 1013446.
В карточке товара указаны характеристики, параметры, комплектация и информация по применению. При выборе рекомендуется учитывать назначение модели, особенности установки, размеры, конструкцию и совместимость.
Заказать тройник ВУЛКАН VHR 45° d200 можно онлайн с доставкой по Нижнему Новгороду и области. Для покупателей доступны оплата наличными, банковской картой, переводом на карту и безналичный расчет с НДС. Также возможна покупка в кредит.
Если вам нужна консультация по товару, цене, заказу, доставке или способам оплаты, свяжитесь с нами по телефону +7 (831) 282-11-01. Специалисты Печи96.ру помогут подобрать подходящий вариант и оформить заказ.


























